Description:
The E4P miniature encoder is designed to provide digital
quadrature encoder feedback for high volume applications with limited
space constraints. The E4P version utilizes an innovative push-on
hub disk assembly which accepts shaft diameters of 1.5mm to .250".
The E4P encoder is the leader for high quantity OEM
applications, but the E4 is the ideal choice when a set-screw hub
disk assembly encoder is required (see the E4 page).
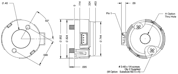
The E4P miniature encoder base provides mounting holes for two
3-48 x 1/4" or two 2.5mm x 6mm screws on a .586" bolt circle. When
mounting holes are not available, a pre-applied transfer adhesive (with
peel-off backing) is available for "stick-on" mounting.
The encoder cover is easily snapped onto the base and is embossed with
the connector pin-out.
The E4P series encoder can be connected by using a (high
retention 4-conductor snap-in polarized 1.25mm pitch) connector. Mating
cables and connectors (see the Cables & Connectors data sheet) are not
included and are available separately.
US Digital warrants its products against defects in materials and
workmanship for two years. See complete warranty for
details.
Mechanical Drawing:
| Click drawing to enlarge (31K)
|
All dimensions shown are in
inches. |
Mechanical Specifications:
| Parameter |
Dimension |
Units |
| Moment of Inertia |
3.0 x 10^-6 |
oz-in-s² |
| Mounting Screw Size |
#3-48 x 1/4" |
- |
| M-option Screw Size |
2.5mm x 6mm |
- |
| Screw Bolt Circle Diameter |
.586 ±.002 |
in. |
| Required Shaft Length* |
.375 to .395
| in. |
Absolute Maximum Ratings:
| Parameter |
Min. |
Max. |
Units |
| Vibration (5 to 2kHz) |
- |
20 |
g |
| Shaft Axial Play |
- |
±.020 |
in. |
| Off-axis Mounting Tolerance |
- |
.010 |
in. |
| Acceleration |
- |
250,000 |
rad/sec² |
| Storage Temperature |
-40° |
85° |
°C |
| Relative Humidity |
- |
90 |
% |
Phase Relationship:
A leads B for clockwise shaft rotation, B leads A for counter clockwise
shaft rotation viewed from the shaft/bushing side of the encoder (see
the AEDR page).
Electrical Specifications:
For complete details see the AEDR page.
Torque Specifications:
| Parameter |
Torque |
| Base to Mounting Surface |
2-3 in.-lbs. |
Options:
H-option (Hole In Housing)
The H-option adds a hole to the housing
for the shaft to pass
through.
|
L-option (Low Power Strobe)
L-option To reduce the average power
requirements, the L-option version of the E4P power
can be strobed on just long enough to sample outputs A and B. This
option is the same as our standard E4P, except the internal
power bypass capacitor is not installed. The outputs settling time
is typically 200 to 400 nano seconds after power up. The minimum
sample frequency must be less than the maximum RPM X the CPR /
10.
|
M-option (Metric Mounting Screws)
Provides alternate metric 2.5mm x 6mm screws.
When M-option is NOT specified the default is 3-48 x 1/4"
screws.
|
T-option (Transfer Adhesive)
When mounting holes are not available, a
pre-applied transfer adhesive (with peel-off backing) is available
for "stick-on" mounting. Use the centering tool (above) to position
the base. T-option specifies transfer
adhesive.
|
Accessories:
Centering Tool
| Part #: MCTOOLP - (Resolution*) - (Shaft
Diameter*)
Description: This reusable tool provides
a simple method for accurately centering the E4 base onto the
shaft.
Material: Aluminum.
Please note: A centering tool is highly
recommended when using the T-option transfer adhesive.
Price: $5.25
* See Ordering Information below for available
Resolutions and Shaft Diameters.
|
Spacer Tool
| Part #: SPACER-E4P
Description: This reusable tool is used
to properly space the hub / disk assembly from the encoder
base.
Price: $0.53
|
Installation Tool
| Part #: HTOOL-E4P
Description: This optional installation
tool is an alternative to the SPACER-E4P. The design of the
tool allows for easy grip assembly in high volume applications. This
tool will NOT work with the T-option (transfer adhesive)
applied encoders. This tool is NOT RoHS compliant.
Price: $5.25
|
Pin-out:
| Pin |
Description |
| 1 |
+5VDC power |
| 2 |
A channel |
| 3 |
Ground |
| 4 |
B channel |
| Attention: For
wire descriptions see the 4-pin
Micro Cables & Connectors page. |
|
Compatible Cables & Connectors:
| 4-pin Micro |
| Micro |
Description |
| CON-MIC4 |
Connector |
| CA-3285-1FT |
Connector on one end with 4 12" wires |
| CA-3286-6FT |
Connector on one end of a 6' round twisted pair
cable |
Connector built into encoder: Molex# 53048-0410.
Mating connector housing: Molex# 51021-0400.
Mating connector individual crimp-on pins: Molex# 50079-8100.
To install connector pins a special crimp tool is needed: Molex#
50079.
Installation Note:
Connector is polarized and should attach smoothly to the encoder, do
not force.
Attention:
Specify cable length when ordering.
Custom cable lengths are available. See the 4-pin
Micro Cables & Connectors page for more information.
Ordering Information:
| Part # |
| E4P |
- |
(CPR) |
- |
(Shaft Diameter) |
- |
(Options) |
- |
(Packaging Options) |
| Examples: |
|
E4P-125-156
E4P-250-250-PKG2
E4P-120-098-HM-PKG1 |
CPR:
|
Shaft
Diameter: |
Options:
(specify in order shown)
|
Packaging
Options:
|
100 108 120 125 128 250 256 300
|
| Code |
|
Size |
059 079 091 098 118 125 156 157 187 197 237 250
|
1.5mm 2mm 2.3mm 2.5mm 3mm 1/8" 5/32" 4mm 3/16" 5mm 6mm 1/4"
|
Note: Please
use code when ordering. | |
L = Low power
strobe. H = Adds hole in housing. T = Adds
transfer ahdesive to base.* M =
Provides alternate metric 2.5mm x 6mm
screws.** |
Blank (default) = Base, screws
and PCBs are packaged seperately in
bulk. Extra assembly is required. One
spacer tool per 100 encoders. PKG1 =
Each encoder packaged individually. One spacer
tool per 100 encoders. PKG2 = Each
encoder packaged individually with one spacer
tool per encoder. PKG3 = Each encoder
packaged individually with one spacer tool
and one centering tool per encoder.
Important: When a centering tool is needed it may be most cost
effective to use the default packaging option and to order a
centering tool separately. This is especially true when
ordering a single encoder.
|
| * A centering
tool is highly recommended when using this
option. | ** When
M-option is NOT specified the default is 3-48 x 1/4"
screws.
| Standard Pricing: |
$19.95 / 1 $17.12 / 10 $15.05 /
50 $13.53 / 100 $12.38 / 500 $11.47 / 1K $10.69 /
5K $10.00 / 10K
|
| Cost
Modifiers: |
Add 15% for
T-option transfer adhesive. Add $3 for
PKG1-option packaging. Add $4 for PKG2-option
packaging. Add $7 for PKG3-option
packaging.
|
| Cables &
Connectors: |
Cables & Connectors are NOT included and MUST be ordered separately.
For ordering information please see the Compatible Cables
& Connectors section
above. |
| Ordering Notes &
Links: |
|
Important: WE DO NOT
SHIP ON FRIDAYS. Shipping is only available Monday through
Thursday.
Important: Orders must
be placed before 1pm for same day shipping; however,
this is not a guarantee.
Orders may be scheduled out over a 12 month period to
receive a higher quantity discounted price.
Fax
Order Form
Warranty
Information
Payment
& Shipping Information
|
| All information is subject to
change without notice. |
Last updated: Monday March
20 2006 |
| |