 |
Part No.
|
Table Stroke
|
A Dim. |
Lead |
| BRP-2209 |
9.00 |
21.00 |
.200
LH | |
Part No.
|
Table Stroke
|
A Dim. |
Lead |
| BRP-2212 |
12.00 |
24.00 |
.200
LH | |
 |
 |
X-Axis (Manual Feed) |
| Part No. |
Table Size |
A Dim. |
Lead |
| BRP-2232 |
32.00 |
42.00 |
.200 RH |
| BRP-2236 |
36.00 |
46.00 |
.200 RH |
| BRP-2242 |
42.00 |
52.00 |
.200 RH |
| BRP-2248 |
48.00 |
58.00 |
.200
RH | |
 |
| Part No. |
Table Size |
A Dim. |
Lead |
| BRP-2232PF |
32.00 |
36.25 |
.200 RH |
| BRP-2236PF |
36.00 |
40.25 |
.200
RH | |
| Part No. |
Table Size |
A Dim. |
Lead |
BRP-2242PF
|
42.00 |
46.25 |
.200 RH |
| BRP-2248PF |
48.00 |
52.25 |
.200
RH | |
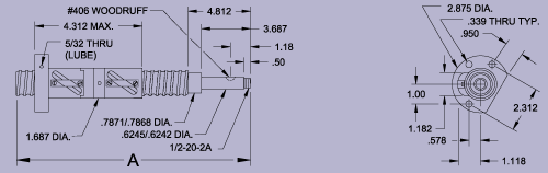
Note: Most makes
of power feed units are made to fit on a standard manual feed screw (see
above). Ball Nut Dimension same as x-axis above. Gear Box Power Feed
Screws also available (not shown). |